一、组合逻辑电路的概述
1.逻辑电路的分类


2.逻辑功能的描述

二、组合逻辑电路的分析方法





根据输出可以粗略判断输入的数值的大小。
三、组合逻辑电路的基本设计方法
1.进行逻辑抽象

2.写出逻辑函数式

3.逻辑函数的化简或变换

4.画出逻辑电路图

5.设计验证与工艺设计










转换为与或非形式是在卡诺图上把0合并起来。
四、普通编码器
1.引言

2.普通编码器的设计


利用无关项进行化简。

五、优先编码器
1.普通编码器与优先编码器

2.优先编码器的设计

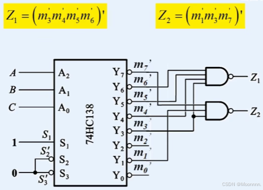
写逻辑时,1是原码,0是反码。


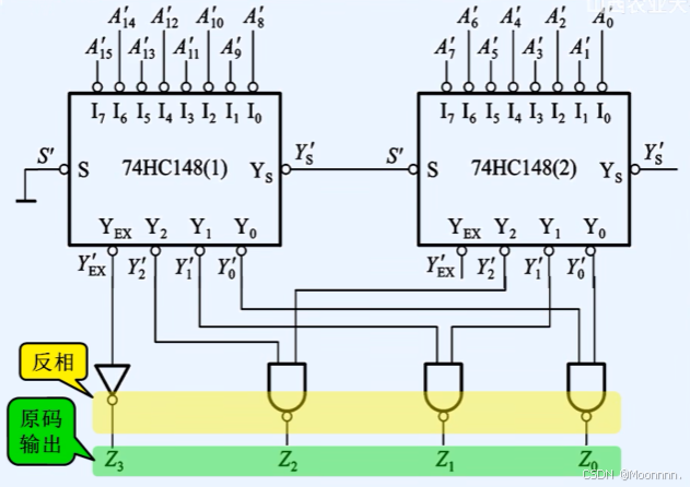
3.优先编码器实例74HC148
芯片边上带小圆圈的表示低电平有效。







之前推出来的是反码输出,为了更直观的看,所以加了反相器再输出,实现原码输出。

六、二-十进制优先编码器
1.引言

2.优先编码器的设计

以Y0'为例,当I1'至I9'都为1即无输入时,无论I0'为多少,默认其为有输入的情况。换句话说,必须要有一个输入端有输入。所以在设计电路时,可以省去一个I0'的输入端。



3.二-十进制优先编码器实例74HC147

七、二进制译码器
1.引言

2.二进制译码器的设计



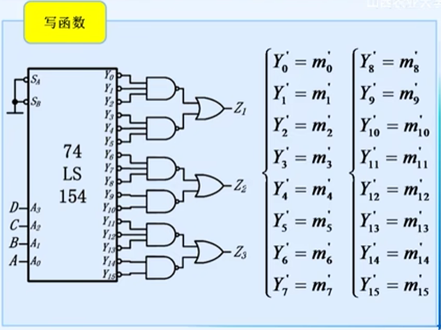
3.CMOS门电路组成的二进制译码器74HC138

S1 S2 S3必须同时满足才能正常工作。低电平为有效输出,所以禁止工作时,锁定为高电平。


通过D3的不同来选择哪一块芯片进行正常的译码工作,相当于用D3来实现片选功能。


4.译码器设计组合逻辑电路



因为74HC138的输出是低电平输出,输出的都是最小项非形式,所以还需要对逻辑函数再做一个变换,使其变为非的形式。




八、二-十进制译码器
1.引言

2.二-十进制译码器实例74HC42

九、显示译码器
1.七段字符显示器

2.半导体数码管BS201A

3.BCD-七段显示译码器的设计





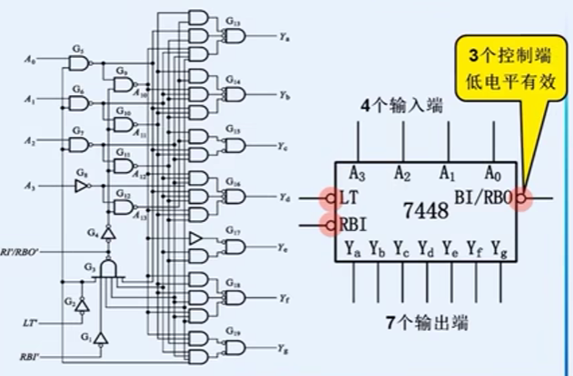
4.BCD-七段显示译码器实例7448





5.7448驱动BS201A

LT = 1 不测试灯
BI/RBO = 1 不灭灯
RBI = 1 不灭零

十、数据选择器
1.引言

2.二选一数据选择器的设计


3.四选一数据选择器的设计



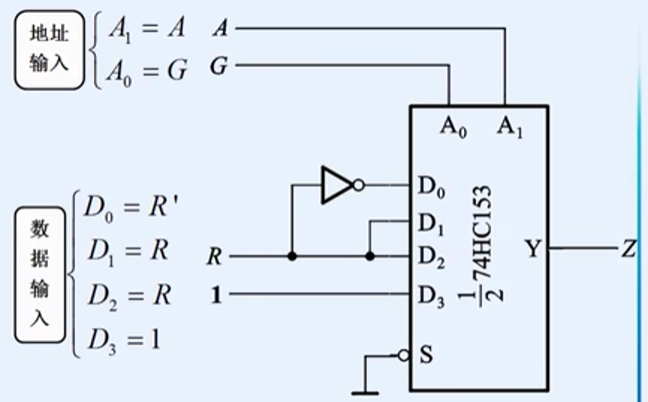
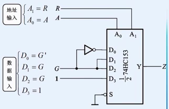
4.双四选一数据选择器74HC153

锁定低电平:由图中可以看出输出端Y1和Y2不带小圆圈,即高电平有效,所以不工作的时候锁定低电平。
5.数据选择器的逻辑函数

四选一中的S是用来控制四选一数据选择器是否工作的,只让特定的选择器工作。控制输入是以S' = 0来输入的,但是在逻辑函数里是以S = 1来输入的。如果四选一数据选择器正常工作,则可以删掉S这一项,如果需要通过变量控制,则需要保留S。

6.数据选择器设计组合逻辑电路

这里的n是指逻辑函数式每一项含有的变量个数,就是把数据输入端看成一个变量来算。

这五种情况的信号灯都是在故障的情况下才会出现的,逻辑式用或连接,只要有一种情况出现Z就输出高电平,表示出现故障。

另一种情况:


对于同一个逻辑功能来说,不同的逻辑函数的合并、化简,不同的地址输入端的确定所得到的组合逻辑电路也不太相同,也就是说有多种接线方法,并没有一个唯一确定的答案。



地址输入变量不能在多项中同时出现,如果重复出现了需要将其进行化简。项数不够时需要进行补项。



对于同一个逻辑功能的组合逻辑电路,变量选取的不同,最终设计出的电路也不同。
十一、加法器
1.加法的类型

2.一位半加器的设计


3.一位全加器的设计



4.多位串行加法器


5.超前进位加法器(快速进位加法器)


6.加法器设计组合逻辑电路



CI接0表示没有低位的进位。BCD码最大是9,9+3 = 12,不会超过15(即二进制1111),所以CO处没有进位输出。

二进制x2就是相当于往前移了一位,补个0,可以通过十进制类似。

十二、数值比较器
1.一位数值比较器的设计


2.多位数值比较器



十三、中规模集成电路组合逻辑电路分析
1.分析思路

2.常见中规模集成电路逻辑函数


74HC153是双四选一数据选择器。





由图易得为4线-16线译码器,主要特点是输出为最小项,所以也称为最小项译码器。



十四、中规模集成电路组合逻辑电路设计





十五、可编程逻辑器件
1.数字集成电路的分类

2.PLD电路中门电路的通用画法

圆点表示固定连接,叉表示可编程连接。
3.可编程逻辑阵列PLA的组成

4.可编程逻辑阵列PLA的逻辑功能分析

5.可编程逻辑阵列PLA的逻辑电路设计

十六、组合逻辑电路中的竞争-冒险现象
1.竞争-冒险现象

此处注意是可能产生而不是一定产生。

2.检查竞争-冒险现象的方法


3.消除竞争-冒险现象的方法



修改逻辑设计可以改变电路,降低出现竞争-冒险现象,但是修改电路的逻辑设计是针对特定电路来说的,适用范围有限。
注:本文出自对bilibili 王文俊讲电气数字电子技术基础 内容的学习笔记。