一、ADC简介
模数转换器(Analog-to-Digital Converter, ADC)是将连续模拟信号(如电压、电流)转换为离散数字信号的电子设备。其核心过程包括:
采样(Sampling):根据奈奎斯特定理(采样频率需≥2倍信号最高频率),对模拟信号进行离散化采集。
量化(Quantization):将采样值映射到有限的数字电平(如N位ADC的2^N个电平)。
编码(Encoding):将量化值转换为二进制码输出。
二、关键参数
2.1 静态参数
分辨率(Resolution):输出数字量的位数(如12位、16位),决定最小可分辨电压(LSB = Vref / 2^N)。
积分非线性(INL):实际转换曲线与理想直线的最大偏差(单位:LSB)。
微分非线性(DNL):相邻码值的实际步进与理想步进的偏差(DNL >1 LSB可能导致丢码)。
2.2 动态参数
采样率(Sampling Rate):每秒采样次数(单位:SPS),需满足信号带宽需求。
信噪比(SNR):信号功率与噪声功率的比值(单位:dB),理想值=6.02N +1.76。
有效位数(ENOB):实际精度(ENOB ≤ 标称分辨率)。
三、ADC常见问题以及解决方案

四、ADC常见的应用场景
1. 传感器信号采集
场景特点:环境物理量(如温度、压力、光强等)通过传感器转换为模拟电信号,需数字化后供MCU或处理器分析。
典型应用:
温度监测:热电偶、RTD(热电阻)输出微小电压,需高精度ADC(如24位Σ-Δ型)。
压力检测:工业压力传感器(4~20mA或0~5V输出)通过ADC转换为数字值。
光照/湿度传感器:如光敏电阻、电容式湿度传感器的模拟输出。
ADC选型:低功耗、中高精度(12~24位),如SAR或Σ-Δ型ADC。
2. 音频处理
场景特点:声音是连续的模拟信号,需高保真数字化。
典型应用:
麦克风输入:驻极体麦克风输出的模拟信号需ADC转换(如16~24位,采样率≥44.1kHz)。
音乐录制/播放:专业音频设备使用高动态范围ADC(如SNR >100dB)。
ADC选型:高分辨率、低噪声Σ-Δ型ADC(如TI的PCM1804)。
3. 工业控制与自动化
场景特点:需实时监测和控制模拟量(如电机电流、电压)。
典型应用:
PLC系统:采集电流/电压信号(0~10V或4~20mA)控制执行器。
电机驱动:通过ADC检测相电流实现闭环控制(需高速ADC)。
ADC选型:高速(1MSPS以上)或隔离型ADC(如ADI的AD7403)。
4. 医疗电子
场景特点:信号微弱(如ECG、EEG)、对精度和抗噪要求极高。
典型应用:
心电图(ECG):采集μV级心电信号,需高精度ADC(24位Σ-Δ型)。
血氧检测:光电二极管输出的模拟信号需动态范围大的ADC。
ADC选型:超高分辨率、低噪声ADC(如ADS1298)。
5. 通信系统
场景特点:需高速转换射频或中频模拟信号。
典型应用:
软件定义无线电(SDR):射频信号下变频后通过高速ADC采样。
5G基站:多通道ADC用于Massive MIMO天线信号处理。
ADC选型:超高速Pipeline或Flash型ADC(如AD9208,10GSPS)。
6. 消费电子
场景特点:兼顾成本、功耗和性能。
典型应用:
智能手机:触摸屏模拟信号检测、环境光传感器。
数码相机:CMOS图像传感器的模拟信号读取(需多通道ADC)。
ADC选型:集成式ADC(如MCU内置的12位SAR ADC)。
7. 汽车电子
场景特点:高可靠性、抗干扰。
典型应用:
电池管理(BMS):监测锂电池组电压/电流(需多通道同步采样)。
车载传感器:油门位置、氧传感器信号采集。
ADC选型:车规级ADC(如TI的ADS7040,AEC-Q100认证)。
8. 测试与测量仪器
场景特点:对速度和精度要求苛刻。
典型应用:
示波器:高速ADC(如8位,20GSPS)捕获瞬态信号。
频谱分析仪:高动态范围ADC用于频域分析。
ADC选型:高速+高分辨率ADC(如AD9625)。
9. 其他特殊场景
能源监测:智能电表中的交流电压/电流采样(需隔离ADC)。
科学实验:粒子探测器输出的脉冲信号数字化。
五、什么时候需要外置ADC
尽管现代MCU(微控制器)普遍内置ADC(模数转换器),但在许多高性能、高精度或特殊应用场景下,仍然需要外置独立的ADC芯片。以下是主要的使用场景及原因:
1. 高精度测量需求
MCU内置ADC的分辨率通常为8~16位,但实际有效位数(ENOB)可能更低(如12位ADC实际仅10位),而独立ADC可提供16位、24位甚至更高精度,适用于:
医疗设备:如ECG(心电图)、EEG(脑电图)需要μV级信号采集28。
工业传感器:高精度称重、压力检测(如20位以上的Σ-Δ ADC)26。
科学仪器:实验室级测量,如光谱分析、精密温度控制10。
2. 高速信号处理
MCU内置ADC的采样率通常低于1MSPS,而独立ADC可达GSPS(千兆采样/秒),适用于:
通信系统:5G基站、软件定义无线电(SDR)需要高速ADC(如16GSPS射频直采ADC)10。
雷达与电子战:相控阵雷达、无人机探测系统需超高速ADC(如单比特ADC用于轻量化雷达)48。
视频处理:高清数字电视、高速相机需80MSPS以上的ADC2。
3. 抗干扰与稳定性要求
内置ADC易受MCU数字噪声(如CPU、PWM)影响,而独立ADC具有:
更好的隔离设计:降低电源噪声和数字干扰3。
专业基准源:外置高稳定性参考电压(如TL431、REF50xx)提升精度7。
工业/汽车环境:在强电磁干扰(EMI)场景下,独立ADC更可靠510。
4. 多通道与灵活性需求
多传感器系统:如新能源BMS(电池管理系统)需同步采样多路电压/电流,内置ADC通道数有限5。
分布式传感:SPI/I²C接口ADC可贴近传感器,减少模拟信号传输损耗6。
可编程配置:独立ADC支持动态调整采样率、量程,而MCU内置ADC通常固定3。
5. 特殊应用架构
单比特ADC:用于雷达系统,减少数据量并优化算力(如深圳大学变阈值单比特ADC)48。
射频直采ADC:5G/6G通信、卫星信号处理需超宽带ADC(如华微电子16GSPS ADC)10。
电容/阻抗测量:专用调理芯片(如MDC02)集成高精度ADC,优于通用MCU方案6。
在消费电子、简单传感器监测(如温度、光照)等场景,MCU内置ADC已足够;但在工业、医疗、通信、军工等高端领域,独立ADC仍是刚需。
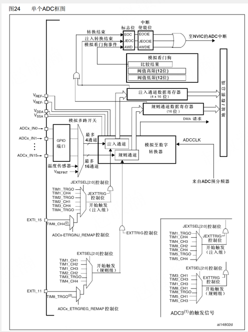
六、STM32F103内部ADC资源介绍
12位逐次逼近型ADC,1us转换时间 输入电压范围:0~3.3V,转换结果范围:0~4095
18个输入通道,可测量16个外部和2个内部信号源
规则组和注入组两个转换单元
模拟看门狗自动监测输入电压范围 STM32F103C8T6 ADC资源:ADC1、ADC2,10个外部输入通道



七、同一个ADC不同通道能同时使用嘛
关于同一个ADC的不同通道是否能同时使用,答案取决于ADC的硬件架构和工作模式。以下是详细分析:
1. 基本概念:ADC通道的硬件结构
共享型ADC:多数MCU内置ADC和低成本独立ADC只有一个ADC核心(Core),所有通道分时复用该核心。
结果:无法真正同时采样,只能快速切换通道(例如STM32的扫描模式)。
独立型ADC:高端ADC(如AD7606)内置多个ADC核心,可同步采样多通道。
2. 不同场景下的通道使用方式
(1) MCU内置ADC(如STM32)
工作模式:
单次转换:每次仅采样1个通道。
扫描模式:自动按顺序切换多通道,但仍是分时采样(非真正同步)。
注入通道:支持高优先级通道打断常规扫描,但仍无法同步。
时序影响:
通道切换需等待采样电容稳定(如STM32需≥1.5个ADC时钟周期)。
多通道采样率 = 总采样率 / 通道数(例如1MSPS ADC采样4通道时,每通道≤250kSPS)。
(2) 独立ADC芯片
分时复用型(如ADS1115):与MCU内置ADC类似,通道切换需时间。
同步采样型(如AD7606):
内置多ADC核心,可同时锁存多通道信号(如8通道同步采样)。
典型应用:三相电流检测、振动传感器阵列。
3. 如何实现“准同步”采样?
若需多通道信号相位对齐,但ADC不支持硬件同步,可通过以下方法优化:
缩短通道切换时间:
使用ADC的连续转换模式 + DMA传输,减少软件开销。
例:STM32的ADC扫描模式 + DMA,通道间隔可缩短至1μs以内。
过采样+插值:
对多通道高速采样(如远高于奈奎斯特频率),后期数字滤波对齐相位。
外部采样保持电路:
用模拟开关(如ADG1412) + 电容保持多路信号,再用ADC轮流采样。
4. 同步需求的实际案例
| 场景 | 需求 | 推荐方案 |
|---|---|---|
| 三相电流检测 | 3通道相位同步 | 多核同步ADC(如AD73360) |
| 音频多麦克风阵列 | 多路声音信号同步 | Σ-Δ ADC带硬件同步接口(如CS5368) |
| 电机控制(电流+电压) | 电流电压采样时间对齐 | MCU内置ADC注入通道 + 触发定时器 |
5. 关键问题总结
能否真正同时采样?
取决于ADC硬件:单核ADC 不能,多核ADC 能。
如何选择芯片?
需要同步采样时,选型号明确支持Simultaneous Sampling的ADC(如ADI的AD7606)。
MCU内置ADC的局限性:
即使支持“同步”触发(如STM32的定时器触发ADC),仍是分时采样,仅减小触发延迟差异。
6. 硬件设计建议
检查数据手册:确认ADC的“通道间延迟”(Channel-to-Channel Delay)参数。
抗干扰设计:
多通道模拟走线等长,避免串扰。
为每个通道添加RC滤波(如100Ω + 100nF)。
软件校准:通过已知信号测量各通道的采样时间差,数字补偿。