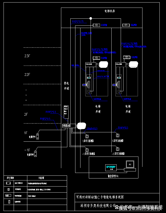
可视对讲联动二维码刷卡人脸识别梯控功能说明及施工布线流程图
对于业主:可以在电梯内刷卡/扫二维码乘梯上楼,并且卡内/二维码内楼层权限可以在管理中心设定,无权限的楼层按钮则不能点亮。刷单层卡(卡内只有一个楼层权限)可以自动点亮楼层按钮,用户无须手按。
业主下楼时,通过电梯上下行按钮召唤电梯,进入电梯后可不需刷卡,可直接按亮“一层或地下层”等公共楼层按钮。
深圳多奥提供手机端的远程控制和二维码接口,如第三方对接手机端对接了则可支持手机上选层点亮按钮或扫二维码乘梯。
对于来访客人:则由业主在家里使用可视对讲分机来授权该访客乘梯上楼,并且访客进入电梯后只能点亮该业主的楼层,其它没有权限的楼层则不能点亮。
访客与业主对讲通话,业主给访客开门后,对讲联动系统召梯(外呼招梯)至访客所在公共层(一层或地下层),电梯到访客层后开放业主所在楼层,访客进入电梯后按业主楼层按钮点亮业主楼层,其它楼层则不能点亮。
对于忘记带卡的业主(而且家里没人):可以通过可视对讲与管理中心联系,由管理人员利用多奥系统软件的远程控制功能来开放业主的楼层,让业主临时乘梯上楼。也可让家人手机端远程控制点亮楼层(需第三方对接多奥手机远程选层)。
对于内部物管人员:则可以发行通卡(一张卡内拥有全部电梯所有楼层的权限),刷卡后在设定时间范围内可以任意选择要去的楼层。使用第三方手机端二维码可达到通卡同样功能,或者在手机上直接选所需去的楼层。
对于电梯检修维护:只需通过轿厢内(司机开关盒内)的“脱离开关”就可以将电梯管理系统与电梯分离,电梯恢复原有状态,以便于电梯检修。
对于消防状态或系统故障时:IC卡梯控系统可以自动退出电梯楼层管制,恢复操纵箱操作。
系统运行逻辑流程如下:
编辑




搜图
请点击输入图片描述(最多18字)
其中语音模块是选配
1.1 系统功能
1、系统控制电梯轿厢内楼层按钮,用户必须刷卡/扫二维码才能乘梯,刷单层卡系统可自动点亮楼层,刷多层卡/扫码/(卡内有多个楼层权限)后可手动选择要去的楼层,无权限的楼层按钮无效。
2、访客来访时,业主可在家里使用对讲分机"开锁"按钮,招梯至访客所在公共楼层,电梯到达访客层后,开放电梯的对应楼层权限,访客进入电梯后只可点亮该楼层,其它楼层按钮无效。
3、系统通过点亮电梯一楼及地下层的外呼按钮派电梯下楼迎接访客。对于同一单元内两台电梯独立运行,比如分高低区、单双层或两梯之间隔开的情况,系统可根据访客呼叫的房号选择对应电梯的外呼按钮(即访客呼叫*01号房,系统就派01号电梯下来,呼*02号房就派02号梯)。
4、系统可以利用网络远程更新、升级主控制器芯片程序,无须拆下主板或芯片寄回厂家烧录程序。
5、系统软件用户权限可以任意编组,并且可以自动生成常用的楼层权限组。
6、系统控制可分时段及节假日按不同模式运行,
7、系统主控制器和管理中心对系统中每个发生的事件都有详细记录,如每次刷卡/扫二维码/手机选层乘梯的时间、持卡人信息、操作员发卡、延期等等操作都会有详细记录,以备日后查询
8、在接入消防火警信号、停电或电源故障、系统发生故障时IC卡系统可与电梯自动脱离,电梯恢复正常使用,系统也具备手动开关脱离功能。
9、系统采用IC卡写卡模式,不需要利用网络或手持设备下载卡号及用户资料,可以完全脱机运行及脱机发卡,兼容ID模式。
10、系统采用国际通用的PHILIPS M1卡(IC卡),可轻松嵌入一卡通系统,实现一卡多用。
11、远程控制功能可以通过管理电脑远程控制电梯去某楼层,或开放楼层的权限。
12、系统软件可设置数据库按时间自动备份,以保证数据库不会丢失或遭损坏。
13、系统 "开门检测器"检测电梯公共层梯门状态,具有电梯开门检测功能,当用对讲分机授权访客乘梯后,系统不会立即开放楼层,必须检测电梯下到一楼(或访客所在的楼层)并且开门之后,才会开放电梯楼层并开始计时,可减小漏洞并保证访客有足够时间选层。
系统特点:
1、 本系统采用先IC卡写卡模式,用户卡数量不受控制器存储空间限制,并且刷卡验证速度也不受用户数量的影响,系统可以完全脱机运行及脱机发卡,同时也支持ID模式。
2、 采用超大黑名单容量设计,一台电梯就可以管理16000000个黑名单。
3、 本系统采用TCP/IP通讯方式,比传统的RS485更快、更稳定。
4、 本系统采用梯控专业安防电源供电,稳定、无干扰。
5、 本系统全部采用ARM 32位处理器,功耗低、速度快、可靠性高。
6、 电梯读卡器与主控板之间采用RS485通讯功能,可实时检测读卡器的运行状态。
7、 本系统选用日本欧姆龙继电器与电梯之间无源触点连接,与电梯完全电气隔离,可以兼容所有品牌电梯;
8、 系统主板干触点信号采用带卡扣排线输出,连接牢靠,安装接线方便、快捷、不易出错。
9、 系统读卡器针对金属环境设计,有效降低金属影响,保证读卡效果。
10、 本系统只需使用2芯电梯随行电缆CAN总线方式做对讲联动, 无须占用过多线缆。
1.2 系统应用描述
编辑




