文章目录
前言
本文记录的是单色呼吸灯教程
开发板:野火指南者stm32f103vet6
目的:实现单色呼吸灯1S渐亮,5S常亮,1S渐灭。
原理:利用PWM输出,改变占空比,也就改变了平均电压。形成一个“呼吸”的效果。
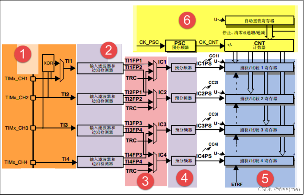
一、前期准备
PWM原理:
TTL电平中,高电平为5V,低电平为0V,但是我们想要输出不同的模拟电压,比如输出3.75V应该怎么操作?
这里就要用到PWM,通过改变IO引脚输出方波的占空比,从而得到不同的模拟电压值,理论上来讲,可以输出任意不大于最大电压值(即0~5V之间任意大小)的模拟电压。

模拟电压=最大电压*占空比,这里的模拟电压是平均值,占空比越大,则模拟电压也越大。
占空比:一个周期内,高电平所占的时间除以总时间

二、硬件原理图




三、代码
1.main.c
代码如下(示例):
#include "stm32f10x.h"
#include "./breathinglight/bsp_breathing.h"
#include "bsp_led.h"
#include "bsp_systick.h"
#include "bsp_usart.h"
extern volatile uint16_t temp;
int main(void)
{
/* 初始化呼吸灯 */
TIMx_Breathing_Init();
//初始化串口
USART_Config();
while(1)
{
if(temp == 605) {
TIM_ITConfig(BRE_TIMx, TIM_IT_Update, DISABLE);
SysTick_Delay_ms(5000);
TIM_ITConfig(BRE_TIMx, TIM_IT_Update, ENABLE);
}
if(temp == 1210) {
TIM_ITConfig(BRE_TIMx, TIM_IT_Update, DISABLE);
temp = 0;
}
}
}
/*********************************************END OF FILE**********************/
2.bsp_breathing.h
代码如下(示例):
#ifndef __PWM_BREATHING_H
#define __PWM_BREATHING_H
#include "stm32f10x.h"
/*PWM表中的点数*/
extern uint16_t POINT_NUM ;
//控制输出波形的频率
extern __IO uint16_t period_class ;
#define RED_LIGHT 1
#define GREEN_LIGHT 2
#define BLUE_LIGHT 3
/*要使用什么颜色的呼吸灯,可选RED_LIGHT、GREEN_LIGHT、BLUE_LIGHT*/
#define LIGHT_COLOR RED_LIGHT
/********************定时器通道**************************/
#if LIGHT_COLOR == RED_LIGHT
/************红灯***************/
#define BRE_TIMx TIM3
#define BRE_TIM_APBxClock_FUN RCC_APB1PeriphClockCmd
#define BRE_TIM_CLK RCC_APB1Periph_TIM3
#define BRE_TIM_GPIO_APBxClock_FUN RCC_APB2PeriphClockCmd
#define BRE_TIM_GPIO_CLK (RCC_APB2Periph_GPIOB|RCC_APB2Periph_AFIO)
//红灯的引脚需要重映射
#define BRE_GPIO_REMAP_FUN() GPIO_PinRemapConfig(GPIO_PartialRemap_TIM3, ENABLE);
#define BRE_TIM_LED_PORT GPIOB
#define BRE_TIM_LED_PIN GPIO_Pin_5
#define BRE_TIM_OCxInit TIM_OC2Init //通道选择,1~4
#define BRE_TIM_OCxPreloadConfig TIM_OC2PreloadConfig
#define BRE_CCRx CCR2
#define BRE_TIMx_IRQn TIM3_IRQn //中断
#define BRE_TIMx_IRQHandler TIM3_IRQHandler
#elif LIGHT_COLOR == GREEN_LIGHT
/************绿灯***************/
#define BRE_TIMx TIM3
#define BRE_TIM_APBxClock_FUN RCC_APB1PeriphClockCmd
#define BRE_TIM_CLK RCC_APB1Periph_TIM3
#define BRE_TIM_GPIO_APBxClock_FUN RCC_APB2PeriphClockCmd
#define BRE_TIM_GPIO_CLK (RCC_APB2Periph_GPIOB)
//绿灯不需要重映射
#define BRE_GPIO_REMAP_FUN()
#define BRE_TIM_LED_PORT GPIOB
#define BRE_TIM_LED_PIN GPIO_Pin_0
#define BRE_TIM_OCxInit TIM_OC3Init //通道选择,1~4
#define BRE_TIM_OCxPreloadConfig TIM_OC3PreloadConfig
#define BRE_CCRx CCR3
#define BRE_TIMx_IRQn TIM3_IRQn //中断
#define BRE_TIMx_IRQHandler TIM3_IRQHandler
#elif LIGHT_COLOR == BLUE_LIGHT
/************蓝灯***************/
#define BRE_TIMx TIM3
#define BRE_TIM_APBxClock_FUN RCC_APB1PeriphClockCmd
#define BRE_TIM_CLK RCC_APB1Periph_TIM3
#define BRE_TIM_GPIO_APBxClock_FUN RCC_APB2PeriphClockCmd
#define BRE_TIM_GPIO_CLK (RCC_APB2Periph_GPIOB)
//蓝灯不需要重映射
#define BRE_GPIO_REMAP_FUN()
#define BRE_TIM_LED_PORT GPIOB
#define BRE_TIM_LED_PIN GPIO_Pin_1
#define BRE_TIM_OCxInit TIM_OC4Init //通道选择,1~4
#define BRE_TIM_OCxPreloadConfig TIM_OC4PreloadConfig
#define BRE_CCRx CCR4
#define BRE_TIMx_IRQn TIM3_IRQn //中断
#define BRE_TIMx_IRQHandler TIM3_IRQHandler
#endif
void TIMx_Breathing_Init (void);
#endif /* __PWM_BREATHING_H */
3.bsp_breathing.c
#include "./breathinglight/bsp_breathing.h"
//控制输出波形的频率
__IO uint16_t period_class = 10;
/* LED亮度等级 PWM表,指数曲线 ,此表使用工程目录下的python脚本index_wave.py生成*/
uint16_t indexWave[] = {
0, 1, 1, 1, 2, 2, 2, 2, 3, 3, 4,
4, 5, 5, 6, 7, 8, 9, 10, 11, 13,
15, 17, 19, 22, 25, 28, 32, 36,
41, 47, 53, 61, 69, 79, 89, 102,
116, 131, 149, 170, 193, 219, 250,
284, 323, 367, 417, 474, 539, 613,
697, 792, 901, 1024, 1024, 901, 792,
697, 613, 539, 474, 417, 367, 323,
284, 250, 219, 193, 170, 149, 131,
116, 102, 89, 79, 69, 61, 53, 47, 41,
36, 32, 28, 25, 22, 19, 17, 15, 13,
11, 10, 9, 8, 7, 6, 5, 5, 4, 4, 3, 3,
2, 2, 2, 2, 1, 1, 1, 0
};
//计算PWM表有多少个元素
uint16_t POINT_NUM = sizeof(indexWave)/sizeof(indexWave[0]);
/**
* @brief 配置TIM复用输出PWM时用到的I/O
* @param 无
* @retval 无
*/
static void TIMx_GPIO_Config(void)
{
GPIO_InitTypeDef GPIO_InitStructure;
/* clock enable */
RCC_APB2PeriphClockCmd(BRE_TIM_GPIO_CLK, ENABLE);
BRE_TIM_GPIO_APBxClock_FUN ( BRE_TIM_GPIO_CLK, ENABLE );
BRE_GPIO_REMAP_FUN();
/* 配置呼吸灯用到的引脚 */
GPIO_InitStructure.GPIO_Pin = BRE_TIM_LED_PIN ;
GPIO_InitStructure.GPIO_Mode = GPIO_Mode_AF_PP; // 复用推挽输出
GPIO_InitStructure.GPIO_Speed = GPIO_Speed_50MHz;
GPIO_Init( BRE_TIM_LED_PORT, &GPIO_InitStructure );
}
/**
* @brief 配置嵌套向量中断控制器NVIC
* @param 无
* @retval 无
*/
static void NVIC_Config_PWM(void)
{
NVIC_InitTypeDef NVIC_InitStructure;
/* Configure one bit for preemption priority */
NVIC_PriorityGroupConfig(NVIC_PriorityGroup_1);
/* 配置TIM3_IRQ中断为中断源 */
NVIC_InitStructure.NVIC_IRQChannel = BRE_TIMx_IRQn;
NVIC_InitStructure.NVIC_IRQChannelPreemptionPriority = 0;
NVIC_InitStructure.NVIC_IRQChannelSubPriority = 2;
NVIC_InitStructure.NVIC_IRQChannelCmd = ENABLE;
NVIC_Init(&NVIC_InitStructure);
}
/**
* @brief 配置TIM输出的PWM信号的模式,如周期、极性
* @param 无
* @retval 无
*/
static void TIMx_Mode_Config(void)
{
TIM_TimeBaseInitTypeDef TIM_TimeBaseStructure;
TIM_OCInitTypeDef TIM_OCInitStructure;
/* 设置TIM3CLK 时钟 */
BRE_TIM_APBxClock_FUN ( BRE_TIM_CLK, ENABLE );
/* 基本定时器配置 ,配合PWM表点数、中断服务函数中的period_cnt循环次数设置*/
/* 设置使得整个呼吸过程为3秒左右即可达到很好的效果 */
//要求:
//TIM_Period:与PWM表中数值范围一致
//TIM_Prescaler:越小越好,可减轻闪烁现象
//PERIOD_CLASS:中断服务函数中控制单个点循环的次数,调整它可控制拟合曲线的周期
//POINT_NUM:PWM表的元素,它是PWM拟合曲线的采样点数
/*************本实验中的配置***************/
/***********************************************
#python计算脚本 count.py
#PWM点数
POINT_NUM = 110
#周期倍数
PERIOD_CLASS = 10
#定时器定时周期
TIMER_TIM_Period = 2**10
#定时器分频
TIMER_TIM_Prescaler = 200
#STM32系统时钟频率和周期
f_pclk = 72000000
t_pclk = 1/f_pclk
#定时器update事件周期
t_timer = t_pclk*TIMER_TIM_Prescaler*TIMER_TIM_Period
#每个PWM点的时间
T_Point = t_timer * PERIOD_CLASS
#整个呼吸周期
T_Up_Down_Cycle = T_Point * POINT_NUM
print ("呼吸周期:",T_Up_Down_Cycle)
#运行结果:
呼吸周期:3.12888
************************************************************/
/* 基本定时器配置 */
TIM_TimeBaseStructure.TIM_Period = (1024-1);; //当定时器从0计数到 TIM_Period+1 ,为一个定时周期
TIM_TimeBaseStructure.TIM_Prescaler = (128-1); //设置预分频
TIM_TimeBaseStructure.TIM_ClockDivision = TIM_CKD_DIV1 ; //设置时钟分频系数:不分频(这里用不到)
TIM_TimeBaseStructure.TIM_CounterMode = TIM_CounterMode_Up; //向上计数模式
TIM_TimeBaseInit(BRE_TIMx, &TIM_TimeBaseStructure);
/* PWM模式配置 */
TIM_OCInitStructure.TIM_OCMode = TIM_OCMode_PWM1; //配置为PWM模式1
TIM_OCInitStructure.TIM_OutputState = TIM_OutputState_Enable; //使能输出
TIM_OCInitStructure.TIM_Pulse = 0; //设置初始PWM脉冲宽度为0
TIM_OCInitStructure.TIM_OCPolarity = TIM_OCPolarity_Low; //当定时器计数值小于CCR1_Val时为低电平
BRE_TIM_OCxInit ( BRE_TIMx, &TIM_OCInitStructure ); //使能通道
BRE_TIM_OCxPreloadConfig ( BRE_TIMx, TIM_OCPreload_Enable ); //使能预装载
TIM_ARRPreloadConfig(BRE_TIMx, DISABLE); //使能TIM重载寄存器ARR
/* TIM3 enable counter */
TIM_Cmd(BRE_TIMx, ENABLE); //使能定时器
TIM_ITConfig(BRE_TIMx, TIM_IT_Update, ENABLE); //使能update中断
NVIC_Config_PWM(); //配置中断优先级
}
/**
* @brief TIM 呼吸灯初始化
* 配置PWM模式和GPIO
* @param 无
* @retval 无
*/
void TIMx_Breathing_Init(void)
{
TIMx_GPIO_Config();
TIMx_Mode_Config();
}
/*********************************************END OF FILE**********************/
4.中断服务函数
extern uint16_t indexWave[];
/* 呼吸灯中断服务函数 */
void BRE_TIMx_IRQHandler(void)
{
static uint16_t pwm_index = 0; //用于PWM查表
static uint16_t period_cnt = 0; //用于计算周期数
if (TIM_GetITStatus(BRE_TIMx, TIM_IT_Update) != RESET) //TIM_IT_Update
{
period_cnt++;
temp++;
BRE_TIMx->BRE_CCRx = indexWave[pwm_index]; //根据PWM表修改定时器的比较寄存器值
//每个PWM表中的每个元素使用period_class次
if(period_cnt > period_class)
{
pwm_index++; //标志PWM表指向下一个元素
//若PWM表已到达结尾,重新指向表头
if( pwm_index >= POINT_NUM)
{
pwm_index = 0;
}
period_cnt=0; //重置周期计数标志
}
else
{
}
TIM_ClearITPendingBit (BRE_TIMx, TIM_IT_Update); //必须要清除中断标志位
}
}
5.占空比数组用脚本实现
1.python脚本
#! python3
#coding=utf-8
"""
Python版本:3.x
外部库:matplotlib1.5.3、numpy1.11.2
运行方式:
在命令行中输入:python index_wave.py
运行结果:
命令行中会打印计算得的各点数据,
在当前目录下会生成py_index_wave.c文件,包含上述数据,
并且会弹出描绘曲线的对话框。
"""
import matplotlib.pyplot as plt
import numpy as np
import math
#修改本变量可以更改点数,如16、32、64等
POINT_NUM = 110
#指数曲线最大为2的MAX_POWER次方
MAX_POWER = 10
# POINT_NUM 个点
x1 = np.linspace(0, MAX_POWER, int(POINT_NUM / 2))
#f = 2^(x)
up =[]
for i in x1:
temp = round(2**i)
#得到升序列
up.append( temp )
x2 = np.linspace(MAX_POWER, 2 * MAX_POWER, int(POINT_NUM / 2))
#f = 2^(2*MAX_POWER-x)
down=[]
for i in x2:
temp = round(2**(MAX_POWER*2-i))
#得到降序列
down.append( temp )
line = list(x1)+list(x2)
val = list(up)+list(down)
print(line)
print("*"*80)
print(list(map(int,val)))
#写入序列到文件
with open("py_index_Wave.c",'w',encoding= 'gb2312') as f:
print(list(map(int,val)),file= f)
#绘图
plt.plot(line,val,"-o")
plt.show()

1.C脚本
也可以用C语言来生成这个数组
#include <stdio.h>
#include <string.h>
#include <math.h>
#define POINT_NUM 110
#define MAX_POWER 10
#define HALF_POINT_NUM (POINT_NUM / 2)
void Get_Index_Array(int* indexWave);
int main(void) {
int i;
int indexWave[POINT_NUM+1] = {0};
Get_Index_Array(indexWave);
/* printf arr */
for(i = 0; i < POINT_NUM; i++) {
printf("%3d ", indexWave[i]);
if( (i & 15) == 15) {
printf("\n\r");
}
}
return 0;
}
void Get_Index_Array(int* indexWave) {
int i, j, temp;
double aver, sum = 0;
aver = double(MAX_POWER) / (HALF_POINT_NUM - 1);
double arr1[HALF_POINT_NUM + 1] = {0};
double arr2[HALF_POINT_NUM + 1] = {0};
for(i = 0; i < HALF_POINT_NUM; i++) {
arr1[i] = sum; /* get the Arithmetic progression*/
sum += aver;
arr1[i] = int(pow(2.0, arr1[i]) + 0.5); /* change into index array */
}
j = HALF_POINT_NUM;
for(i = 0; i < HALF_POINT_NUM; i++) {
arr2[i] = arr1[j-1];
--j;
}
j = 0;
for(i = 0; i < POINT_NUM; i++) {
if(i < HALF_POINT_NUM) {
indexWave[i] = int(arr1[i]);
} else {
indexWave[i] = int(arr2[j]);;
++j;
}
}
return ;
}
结果如图所示:

四、时间计算
①定时器时钟频率:timer_clk = 72M / psc (psc是预分频系数)
②计数器+1所需时间:timer_time = 1 / timer_clk
③定时器定时溢出的时间(溢出后会发生中断或事件):t_timer = psc * period / 72M (period是定时器自动装寄存器的值)
④每个PWM点的时间:T_POINT = t_timer * PERIOD_CLASS
⑤T_PWM = T_POINT * PIONT_NUM;
本文含有隐藏内容,请 开通VIP 后查看